一、 概述
KX型库底卸料器是用于两个或两个以上的库底卸料口,将物料从库中均匀、连续输送到某一特定位置的设备。KX型库底卸料器结构紧凑,工艺布置合理,选用后可以减少其它设备的装置,节约能源,节省投资。

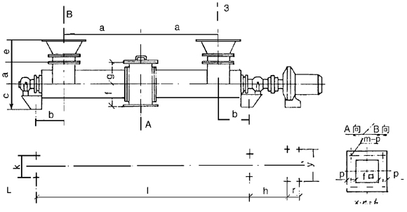
二、外形尺寸
代号 规格 a b c d e f g l A向 B向 K f p x.n=h m-Φ KX200 1500、2000、2500 300 250 250 340 240 220 2a+2b 400 /490 50/50 115×4=460 135×4=540 14×Φ12 /16×Φ14 250 KX290 1500、2000、2500、3000 350 280 280 400 250 220 400 /480 115×4=460 135×4=540 14×Φ12 /16×Φ14 300 KX350 1500、2000、2500、3000 400 355 355 420 320 300 500 /580 112×5=560 128×5=640 20×Φ12 /20×Φ14 320 KX475 2000、2500、3000、3500 450 400 400 450 350 320 600 /680 132×5=660 122×6=732 20×Φ12 /24×Φ14 400
三、 技术参数
规格型号
KX200
KX290
KX350
KX350
下料点间距 mm
2 × 1500
2 × 2000
2 × 2500
2 × 1500
2 ×2000
2 ×2500
2 ×3000
2 ×1500
2 ×2000
2 ×2500
2 ×3000
2 ×1500
2×2000
2 ×2500
2 ×3000
非驱调动速装型置
输送量 T/h
12
36
64
160
型号
XWD4 – 5 - 35
XWD4 – 5 - 35
XWD 5.5 – 5 - 35
XWD5.5 – 5 - 35
XWD7.5 – 7 - 35
XWD11 – 8 - 35
XWD 15 – 9 - 35
功率 kw
4
4
5.5
5.5
7.5
11
15
转速 r.p.m
40
h
500
555
555
570
510
590
630
r
150
150
150
150
320
380
480
j
370
370
370
370
420
480
560
调速型驱动装置
输送量 T/h
8~20
18~55
32~95
80~225
型号
XWD – 5 – YCTL 180 - 4A
XWD22 – 17 - 5.5
XWD – 6 - 17 – YCTL 200 - 4B
XWD – 6 – 17 - 7.5
XWD – 9 – 17 – YCTL 225 - 4B
XWD – 10 -17 – YCTL 250 - 4A
功率 kw
4
5.5
7.5
7.5
11
15
18.5
转速 r.p.m
7-70
h
500
522
470
518
520
625
670
r
150
220
220
200
380
480
500
j
370
290
290
340
480
560
630
阀门调节
Ⅰ
手动调节
Ⅱ
联轴链调节


















